搜索
请输入您要搜索的内容
夹具
导轨
中压块
边压块
导轨连接件
支架配件
更多
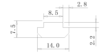
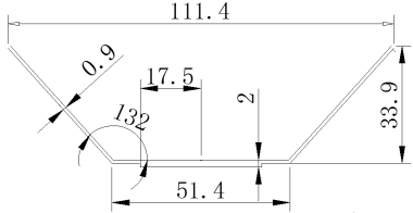
SY-L018-A
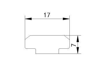
SY-L017
SY-L013
SY-L010
SY-L003
SY-L007-A
SY-L006
SY-L004
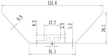
SY-L018
SY-L016
SY-L012
SY-L008
SY-L008
SY-L007
SY-L005
SY-L001
取消
首页
电话
位置
留言
留言
会员
信息
QQ
购物
语音
分类
联系我们
×
账号登录
找回密码
登录
没有账号请注册
首页
关于我们
产品中心
工程案例
新闻资讯
联系我们