搜索
请输入您要搜索的内容
夹具
导轨
中压块
边压块
导轨连接件
支架配件
更多
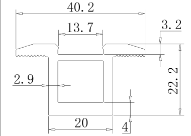
SY-Z2602
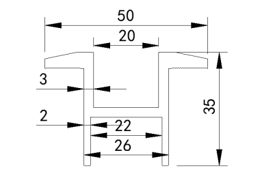
SY-Z2011
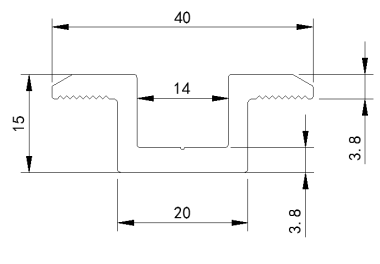
SY-Z2008
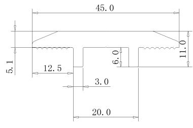
SY-BB2602
SY-Z3001
SY-Z2601
SY-Z2302
SY-Z2204
SY-Z2101
SY-Z2006
SY-Z2002
SY-Z1701
SY-Z2005
SY-Z2501
SY-Z2010
SY-Z009
SY-Z3502
SY-Z2801
SY-Z2401
SY-Z2301
SY-Z2201
SY-Z2007
SY-Z2004
SY-Z2001
SY-Z1501
SY-BB603
取消
首页
电话
位置
留言
留言
会员
信息
QQ
购物
语音
分类
联系我们
×
账号登录
找回密码
登录
没有账号请注册
首页
关于我们
产品中心
工程案例
新闻资讯
联系我们